
西门子s7200plc常见问题(12)浏览(964) 回复(1)
ca80224128 2018-08-27 14:30
1、S7-200模拟量输入信号的精度能达到多少? 拟量输入模块有两个参数容易混淆: 1)模拟量转换的分辨率 2)模拟...

第五届“台达杯”高校自动化设计大赛报名圆满结束浏览(2282) 回复(2)
DELTA台达 2018-04-23 15:09
“发现智造高手”——第五届“台达杯”高校自动化设计大赛报名阶段近日圆满结束。经过三个多月的...

江苏中动:解除电源中断的可靠方法浏览(711) 回复(0)
ca82221004 2018-08-11 10:47
不少消费者都想当然的认为电源的供给是源源不断的,是不会突然间消失的,可是现实中却不是这个样子的,国家输送...

紫金桥工控组态软件在煤矿安全生产监测系统中的应用浏览(670) 回复(0)
zijinqiao 2018-07-26 10:34
摘要:针对当前煤矿安全监测手段落后,缺乏足够的监督手段,紫金桥软件技术有限公司基于多套成功案例,总结出了一...

靳涛 发表了新日志 2014-08-13 06:30
跟靳老师学PKS(17)----PKS的软件橱窗
去商场“血拼”时,很难有时间和耐心走进每一个店铺,大多时候是快速浏览店铺的展示橱窗,如果橱窗里有令人眼前一亮的商品,才会走进店铺仔细挑选

EvenFit 发表了新日志 2013-08-20 03:26
机器视觉检测设备之色选机
本设备用于对石英砂粒影像分析的方式进行检测,主要检测石英砂粒的异色和其中的杂质。系统采用高分辨率三线线阵工业数字相机技术,结合我公司多年来积累的机器视觉
EvenFit 发表了新日志 2013-08-19 07:32
西安易菲特视觉系统有限公司企业文化
西安易菲特视觉系统有限公司 (Xi′an EvenFit Vision System Co.,Ltd.)是AMF(ASIA MEGA FORTUNE)旗下国内首家全自主知识产权机器视觉解决方案研发机构。致力于

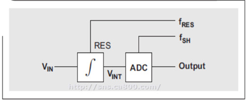
TI德州仪器 发表了新日志 2013-08-19 09:13
为ADC添加一个带噪声滤波器的数控PGA
作者: Kai Gossner ,德州仪器 (TI) 现场应用工程师 引言 &n
yexiang0910 发表了新日志 2013-08-19 07:45
螺丝机功用你知道么?
1、 螺丝主动整列、供料、主动挑选异形螺丝、主动补给空料。 2、 不必手取螺丝, 螺丝 机 主动送料,解放了左手,可取放商
杨超 发表了新日志 2013-08-20 03:53
西门子编程32位地址指针转换为什么左移3位?(实用转载)
西门子编程 32 位地址指针转换为什么要移 3 位,移多少位不是随意规定的,那么这个是怎么来的呢?先来看看指针数据类型的存储格式是怎
浅醉闲眠 发表了新日志 2013-08-18 10:04
关于工厂用仪表变送器选型问题
关于工厂用仪表变送器选型问题,说说偶的看法。 首先应先说说变送器的分类。压力
剑思庭 发表了新日志 2013-08-19 01:51
西门子plc假冒案始末
近日,杨浦警方捣毁一制售假冒注册商标商品窝点,当场缴获大量假冒“西门子”品牌工业自动化电子模块等工控产品和假冒标识,案件涉案总值超过3000万元。  
空月蒙蒙 发表了新日志 2013-08-20 01:41
q04udh与电脑USB连接无法通讯
好纠结。 通讯有两种途径,有一种是通过rs232的,有一种是通过USB直接与plc连接的(那种线是以前我们用的给mp3,或者较老一些手机充电的数据线),也许是我以前的wi
杨超 发表了新日志 2013-08-16 07:25
300PLC从MMC卡中恢复程序的方法
西门子的 S7-300PLC 的 MMC 存储卡,用普通 MMC 读卡器,用软件 S7ImgRD1.01 读 MMC 程序镜像 , 生成扩展名为 S7img 镜像文件。 同时可直接在 S7ImgRD1.01

张静 发表了新日志 2013-08-16 07:10
中国互联网进入新竞合时代
2013年8月15日,为期3天,由工业和信息化部、国家互联网信息办公室等单位指导、中国互联网协会主办的第十二届中国互

张静 发表了新日志 2013-08-16 04:11
图尔克荣膺2013年(第十一届)《中国机械500强》称号
由中国机械工业企业管理协会主办的2013年《中国机械500强研究报告》暨《世界机械500强》发布会于8月7日在北京隆重举行。 此项活动是继2003年首次发布以
黑色幽默、 上传了新图片 2013-08-15 14:05
梦幻西游
浅醉闲眠 发表了新日志 2013-08-15 16:29
正确使用热电偶,避免因使用问题产生额外的误差
正确使用热电偶不但可以准确得到温度的数值,保证产品合格,而且还可节省热电偶的材料消耗,既节省资金又能保证产品质量
浅醉闲眠 发表了新日志 2013-08-15 16:23
闲话热电偶选型之—测量精度和测温范围的选择
常用的热电偶从-50~ 1600℃均可边续测量,某些特殊热电偶最低可测到-269℃(如金铁镍铬),最高可达 2800℃(如钨-铼)。一般

董维康 发表了新日志 2013-08-16 05:24
初创公司要学西游:分工、团队、愿景(转)
【导读】整个西游记的西行过程其实是创业公司成立到研发产品成功的阶段,产品是”佛经”,是一种普渡众生的服务,产品价值便是让许多人拥有信仰,更好地生活及约束
浅醉闲眠 发表了新日志 2013-08-15 15:28
闲话热电偶选型之—气氛选择
众所周知,使用环境对热电偶的影响是很大的,有时甚至由于环境的影响而不能实现温度的稳定测量。氧化还原等使用气氛
浅醉闲眠 发表了新日志 2013-08-15 15:05
热电偶补偿导线的型号及颜色对照
补偿导线型号 配用热电偶的分度号 补偿导线合金丝 绝缘层着色 正 极 负 极
samsrmotor 发表了新日志 2013-08-15 06:47
当前最有发展前景的当属混合式步进电机
步进电机 分三种:永磁式( PM ) ,反应式( VR )和混合式( HB )。 反应式步进一般为两相,转矩和体积较小,步进角一般为 7.5 度 或 1.5 度;永磁式步
samsrmotor 发表了新日志 2013-08-15 06:47
你所不知道的数控滑台PLC 控制方法
1 、行程控制 一般液压滑台和机械滑台的行程控制是利用位置或压力传感器(行程开关 / 死挡铁)来实现;而数控滑台的行程则采用数字控制来实现。由数控